Анкер LHO с круглым крюком 14х195 мм, уп 20шт. Wkret

Анкер с кольцом LHO используется для подвешивания отделочных элементов и других элементов, для которых обязательное условие – это огнестойкость. Также применяется для анкеровки системных подпор для бетонных стен. Материалом основания является конструкционный, армированный и неармированный бетон. Крепление полностью изготовлено из стали, что дает высокие прочностные и огнеупорные свойства, а цинковое покрытие (минимум 12 мкм) обеспечивает надежную антикоррозионную защиту.

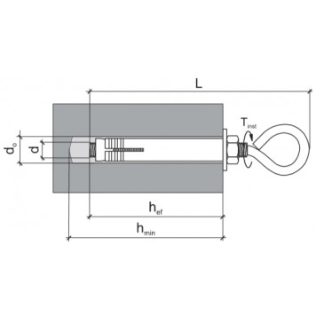
Особенности конструкции: анкер представляет из себя стальную втулку с распорным элементом в виде О-образного крюка с шайбой и гайкой.
Монтаж:

- Монтаж начинается с просверливания отверстия в присоединяемом изделии и материале основы.
- После этого следует тщательно отчистить отверстие от крошки и пыли.
- Затем крепление устанавливается в отверстие и затягивается.
| Технические характеристики | |
| Длина, мм | 195 |
| Диаметр, мм | 14 |
| Материал | сталь |
| Покрытие | желтый цинк |
| Диаметр резьбы | M10 |
| Количество в упаковке, шт. | 20 |
| Маркировка | LHO |
| Мин. глубина анкеровки, мм | 70 |
| Мин. глубина отверстия, мм | 90 |
| Форма крюка | кольцо |
Нет отзывов об этом товаре.
