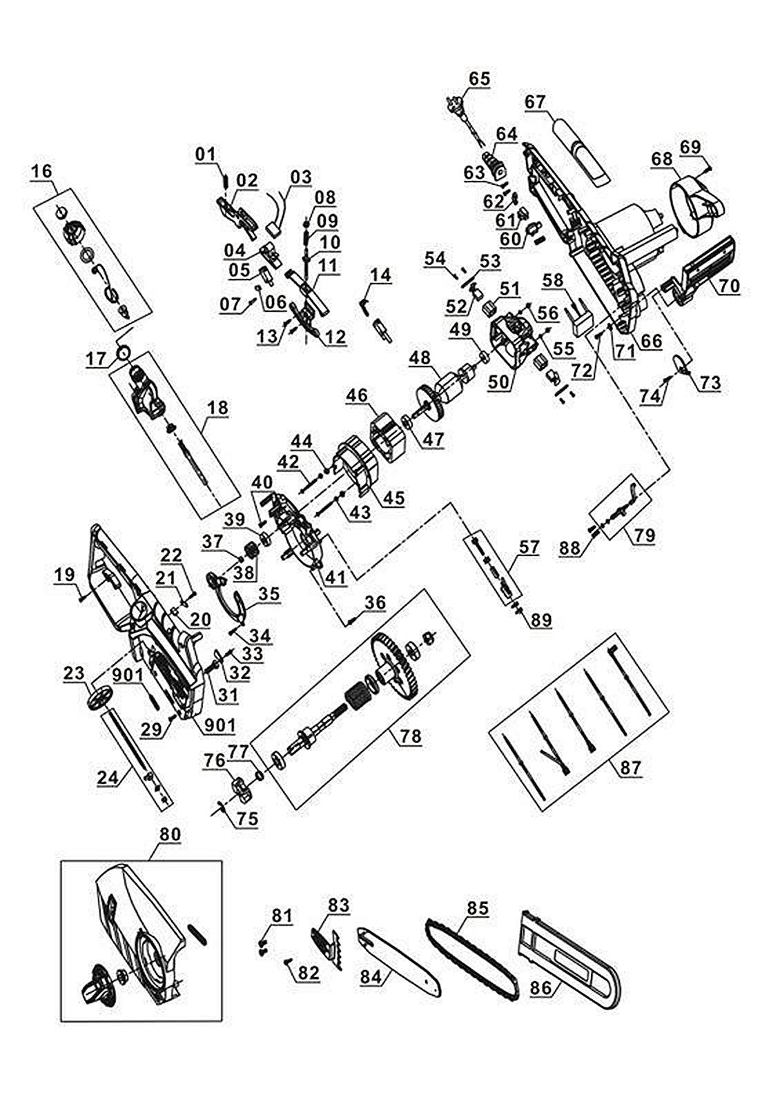
Запасные части и деталировка для пилы GE-EC 2240 4501740 (Ident number 11014)

Таблица запчастей для пилы GE-EC 2240 4501740 (Ident number 11014)
Позиция | Артикул | |
1 | Button spring | 450174001001 |
2 | Switch button | 450174001002 |
3 | Capacitance | 450174001003 |
4 | Intermediate connecting rod | 450174001004 |
5 | Microswitch | 450174001005 |
6 | Clamp | 450174001006 |
7 | Flange tapping screw | 450174001007 |
8 | Flat washer | 450174001008 |
9 | Brake lever spring | 450174001009 |
10 | Brake bar | 450174001010 |
11 | link switch | 450174001011 |
12 | Brake bar dead plate | 450174001012 |
13 | Self tapping screw | 450174001013 |
14 | Brake spring | 450174001014 |
16 | Oil box cap assy | 450174001016 |
17 | The tank mouth sealing ring | 450174001017 |
18 | Oil box assy' | 450174001018 |
19 | Self tapping screw | 450174001019 |
20 | The sponge The mat | 450174001020 |
21 | Clamp | 450174001021 |
22 | Flange tapping screw | 450174001022 |
23 | Adjusting knob | 450174001023 |
24 | Adjust lever assy' | 450174001024 |
29 | Self tapping screw | 450174001029 |
31 | Machine screw | 450174001031 |
32 | Clamp | 450174001032 |
33 | Self tapping screw | 450174001033 |
34 | Self tapping screw | 450174001034 |
35 | Dust shield | 450174001035 |
36 | Self tapping screw | 450174001036 |
37 | Special hexagonal nut | 450174001037 |
38 | Motor gear | 450174001038 |
39 | Motor gear bushing | 450174001039 |
40 | Self tapping screw | 450174001040 |
41 | Facing bar | 450174001041 |
42 | Stator screw | 450174001042 |
43 | Spring washer | 450174001043 |
44 | Flat gasket | 450174001044 |
45 | Wind screen | 450174001045 |
46 | Stator | 450174001046 |
47 | Bearing | 450174001047 |
48 | The rotor assembly | 450174001048 |
49 | Bearing | 450174001049 |
50 | Motor back support | 450174001050 |
51 | Brush holder | 450174001051 |
52 | Brush | 450174001052 |
53 | Brush holder clamp | 450174001053 |
54 | Self tapping screw | 450174001054 |
55 | Washer | 450174001055 |
56 | Hexagon nut | 450174001056 |
57 | Oil pump assy | 450174001057 |
58 | Soft start | 450174001058 |
60 | Lock off button | 450174001060 |
61 | Connector | 450174001061 |
62 | Cable clamp | 450174001062 |
63 | Self tapping screw | 450174001063 |
64 | Cable sheath | 450174001064 |
65 | Power line | 450174001065 |
66 | Left housing | 450174001066 |
67 | Soft grip | 450174001067 |
68 | Motor rear cover | 450174001068 |
69 | Self tapping screw | 450174001069 |
70 | Preventer plate | 450174001070 |
71 | Washer | 450174001071 |
72 | Self tapping screw | 450174001072 |
73 | Connecting rod clamp | 450174001073 |
74 | Self tapping screw | 450174001074 |
75 | Split washer | 450174001075 |
76 | Sprocket | 450174001076 |
77 | Tensioning spring | 450174001077 |
78 | Output shaft assy' | 450174001078 |
79 | The nozzle component | 450174001079 |
80 | Adjust the end cover component | 450174001080 |
81 | screw | 450174001081 |
82 | Self tapping screw | 450174001082 |
83 | Heat insulation washer | 450174001083 |
84 | Guide bar | 450174001084 |
85 | Chain saw | 450174001085 |
86 | Guide bar sleeve | 450174001086 |
87 | Connecting wire assy. | 450174001087 |
88 | Self tapping screw | 450174001088 |
89 | Self tapping screw | 450174001089 |
901 | Right housing Further spareparts available | 450174001901 |