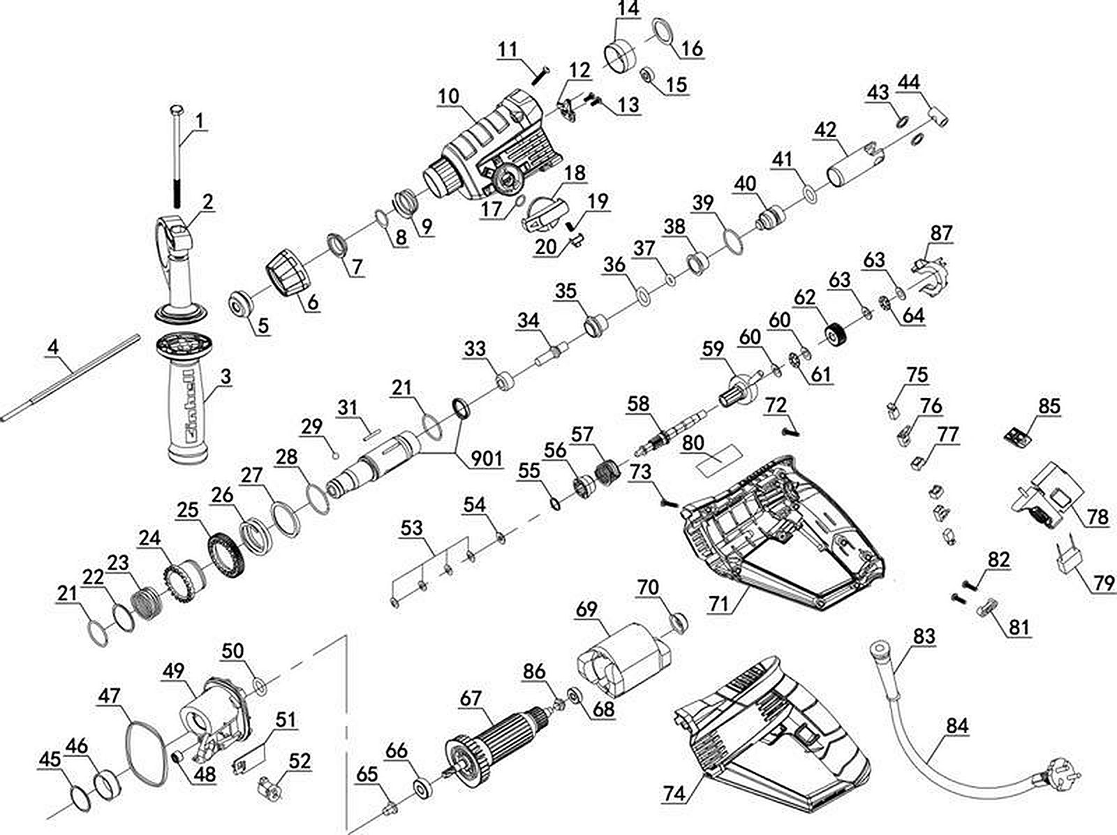
Запасные части и деталировка для перфоратора TC-RH 800 E 4257920 (Ident number 11025)
Таблица запчастей для перфоратора TC-RH 800 E 4257920 (Ident number 11025)
| Позиция | Артикул | |
| 1 | screw clamp | 425792001001 |
| 2 | grip base | 425792001002 |
| 3 | grip complete | 425792001003 |
| 4 | depth gaude | 425792001004 |
| 5 | holder tip | 425792001005 |
| 6 | sliding gollar | 425792001006 |
| 7 | holder spring | 425792001007 |
| 8 | clamp metal | 425792001008 |
| 9 | spring tower | 425792001009 |
| 10 | case gear | 425792001010 |
| 11 | tapping screw st4.2×40 | 425792001011 |
| 12 | retainer | 425792001012 |
| 13 | tapping screw nst4.5-f×10 | 425792001013 |
| 14 | seal oil | 425792001014 |
| 15 | bearing 606-2z | 425792001015 |
| 16 | gasket metal impact shaft | 425792001016 |
| 17 | O-ring 11.5×1.7 | 425792001017 |
| 18 | knob mode selector | 425792001018 |
| 19 | sping knob selector | 425792001019 |
| 20 | button knob mode selector | 425792001020 |
| 21 | clamp metalf28.5 | 425792001021 |
| 22 | clamp metal | 425792001022 |
| 23 | spring reture | 425792001023 |
| 24 | sleeve shaft | 425792001024 |
| 25 | gear slide | 425792001025 |
| 26 | press spring | 425792001026 |
| 27 | gasket, metal | 425792001027 |
| 28 | clamp,metalf34 | 425792001028 |
| 29 | ball,steelf7 | 425792001029 |
| 31 | pinf3×23.8 | 425792001031 |
| 33 | block position | 425792001033 |
| 34 | column impact | 425792001034 |
| 35 | sleeve block | 425792001035 |
| 36 | O-ring 18×3.5 | 425792001036 |
| 37 | O-ring 11x3.15 | 425792001037 |
| 38 | sleeve retaining | 425792001038 |
| 39 | clamp metal | 425792001039 |
| 40 | ram | 425792001040 |
| 41 | o-ring | 425792001041 |
| 42 | cylinder pin | 425792001042 |
| 43 | washer cylinder pin | 425792001043 |
| 44 | cylinder pin | 425792001044 |
| 45 | washer antifrichtion | 425792001045 |
| 46 | bearing sleeve | 425792001046 |
| 47 | gasket sealing | 425792001047 |
| 48 | bearing axial hk0808 | 425792001048 |
| 49 | holder | 425792001049 |
| 50 | o ringf23.6×2.65 | 425792001050 |
| 51 | board slide | 425792001051 |
| 52 | knob function-shift | 425792001052 |
| 53 | spring bevel | 425792001053 |
| 54 | gasket metal | 425792001054 |
| 55 | clamp metal spring clutch | 425792001055 |
| 56 | clutch | 425792001056 |
| 57 | spring clutch | 425792001057 |
| 58 | shaft intermediate | 425792001058 |
| 59 | wobble bearing | 425792001059 |
| 60 | 60 thurst washer as0919 | 425792001060 |
| 61 | bearing,axial as0919 | 425792001061 |
| 62 | small gear | 425792001062 |
| 63 | thurst washer as0817 | 425792001063 |
| 64 | bearing,axialaxk0817 | 425792001064 |
| 65 | ring,sealing | 425792001065 |
| 66 | bearing 609-2rs/c3 | 425792001066 |
| 67 | armature | 425792001067 |
| 68 | bearing 607-2z | 425792001068 |
| 69 | stator | 425792001069 |
| 70 | sleeve bearing | 425792001070 |
| 71 | back housing | 425792001071 |
| 72 | tapping screwst4.2×19 | 425792001072 |
| 73 | tapping screwst4.5×10 | 425792001073 |
| 74 | case,gear | 425792001074 |
| 75 | electric carbon brush | 425792001075 |
| 76 | holder brush | 425792001076 |
| 77 | sleeve,holder brush | 425792001077 |
| 78 | switch | 425792001078 |
| 79 | capacitor | 425792001079 |
| 80 | label | 425792001080 |
| 81 | clamp,cord | 425792001081 |
| 82 | tappingscrewst4.2×16 | 425792001082 |
| 83 | sleeve,cord | 425792001083 |
| 84 | power cord | 425792001084 |
| 85 | putters | 425792001085 |
| 86 | spacer | 425792001086 |
| 87 | small gear oil baffle cover | 425792001087 |
| 800 | BMC | 425792001800 |
| 901 | Shaft impact and seal oil assy Further spareparts available | 425792001901 |